- 본 Readme에 사용된 이미지는 pixabay 등에서 구한 free image입니다.
- 본 프로젝트 수행 중 실제로 사용한 이미지는 반도체 Circuit 및 Particle 등의 bmp 파일이었음을 밝힙니다.
- 모든 영상처리 솔루션은 영상처리 및 컴퓨터비전 라이브러리가 일체 사용되지 않았으며, 픽셀에 대해 메모리에 직접 접근하여 알고리즘을 구현하였습니다.
- 픽셀에 대한 메모리 접근은 unsafe 구문 내의 포인터를 이용하였으며, C++ 기반의 영상처리 서적을 참고했습니다.
완료
- 파일을 바이트 Stream으로 변경하고, 해당 Stream을 메모리 직접 접근을 통한 로우 레벨 수준의 분할 Reading하여 메모리가 처리 가능한 수준으로 바꾸어 로딩 성공
완료
- 픽셀 패딩 밀리는 현상 수정 완료
- 모폴로지 연산 중 팽창 구현 완료
이슈
- 확대, 축소 시 저장 기능에 문제 있음
- 모폴로지 침식 연산 구현 요망
완료
- 모폴로지 연산 중 침식(축소) 구현 완료
이슈
- 오리지널 비트맵의 저장시 저장 안되는 이슈 발견
완료
- 히스토그램 평활화와 오츠 이진화 기능 구현 완료
이슈
- Gaussian Filter 기능 로직 완료했으나 Blur가 적용되지 않고 단순히 색채가 어두워지기만 하여 로직의 문제가 있음
- 연산 미처리한 원데이터 저장 불가 이슈 잔존, 연산 추가 개발 후 추후 수정하도록 함
이슈
- 모폴로지 침식 중 픽셀의 우측만이 수그러드는 현상 발견, 코드 구현 중 커널의 중심이 정가운데가 아닌 좌측에 있는 것을 확인하고 이에 대한 수정 요망
- 병렬 처리 시도 시 CPU 점유율이 98퍼센트까지 올라가고 프로그램은 응답이 없는 현상이 계속
완료
- 모폴로지 침식, 팽창, 가우시안 필터 연산에 병렬화를 적용하여 7~10배 정도의 연산 속도 향상 확인
병렬 프로세싱 전
병렬 프로세싱 후
이슈
- 픽셀의 우측이 수그러드는 현상에 대하여 커널 로직 상 문제 없음 확인. 이미지 패딩에 의한 것일 확률이 있어 이에 대한 이슈 발생
완료
- 가우시안 필터에 대한 로직 수정 완료
이슈
- 히스토그램 평활화에 병렬화 로직 추가 필요
- 라플라스 필터 추가 구현 예정
완료
- 라플라스 필터에 대한 구현 완료
이슈
- 라플라스 필터에 병렬화 적용 예정
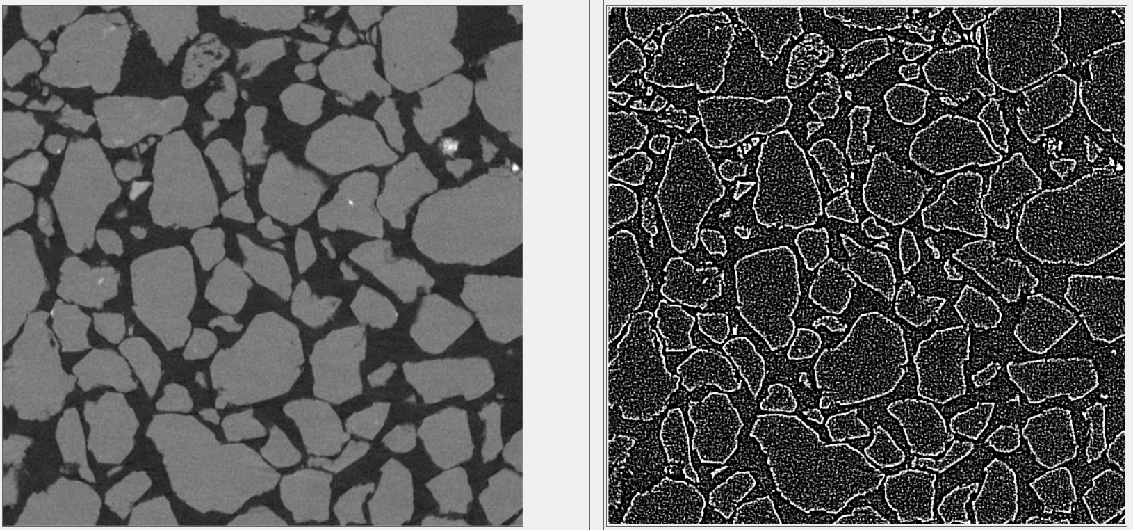
- 해당 라플라스 필터 로직은 이미지의 경계 검출은 가능하나, bitmap 화소에 255 혹은 0의 값을 대입하므로 픽셀 간 상대적 차이를 반영하지 못함
완료
- Morphology Pointer를 반복문 당 1씩 늘어나게 하여 픽셀 별로 모두 적용되는 것을 유도했으나, padding 1~3bytes에 대하여도 이것이 적용되어 우측 여유 공간의 수축이 일어났던 것으로 확인
- Pixel에 대한 접근시 해당 Row의 Stride를 갱신하는 것으로 정확한 line의 매핑이 가능해져, 해당 이슈에 대한 수정이 완료됨
완료
- 라플라스 필터에 대한 병렬화 적용 완료
이슈
- 병렬화 적용으로 성능이 개선되었으나, 여전히 약 30초 정도의 시간 소요 중임. 프로세스와 비례하여 속도가 빨라지지 않는 원인 파악 필요 --> 픽셀에 대한 여러가지 연산이 중첩된 후에 적용시에는 느려지는 것이 맞음. 오리지널 데이터에 적용시 약 10~12배 성능 개선되었으므로 CPU 갯수와 비례하여 개선 완료
완료
- 히스토그램 누계 버퍼에 대한 병렬화 구현
- Vision Algorithm 하이어라키 개선
- Dummy Code 제거 등
이슈
- 히스토그램 병렬화 메인 코드에 대한 병렬화 적용이 되지 않아 버퍼에 대한 병렬화를 진행했음에도 타 알고리즘의 개선된 정도와는 현저하게 낮은 정도로 개선됨
완료
- 0-255로 구분하는 자체 구현한 라플라스 필터는 오츠 이진화를 선행해주어야 하는 제약조건이 있어, 웹 상에서 가져온 코드를 적용하여 아래와 같은 범용 라플라스 필터 기능을 추가함 (따라서 해당 코드는 스스로 구현한 것이 아니며, 본 프로젝트의 목적 중 하나였던 대용량 이미지에 대한 처리는 하지 못함)














