Skip to content

k4b3z4/sanyo-incubator

Folders and files

NameName
Last commit message
Last commit date

Latest commit

 

History

28 Commits
 
 
 
 
 
 
 
 
 
 
 
 
 
 
 
 
 
 

Repository files navigation

sanyo-incubator

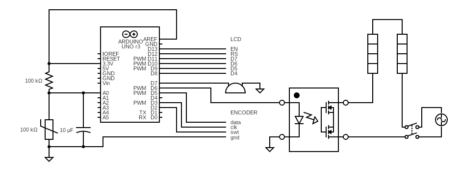
esquema

Test 1: (Kp)

testing1

Test 2: (Kp + Ki)

testing2

Configuración Final

respuesta

About

reemplazo completo de la electrónica original por arduino y relé de estado sólido.

Resources

Stars

Watchers

Forks

Releases

No releases published

Packages

 
 
 

Contributors

Languages