Skip to content

alexthecoolman/PlanterMonitor

Folders and files

NameName
Last commit message
Last commit date

Latest commit

 

History

12 Commits
 
 
 
 
 
 
 
 

Repository files navigation

PlanterMonitor

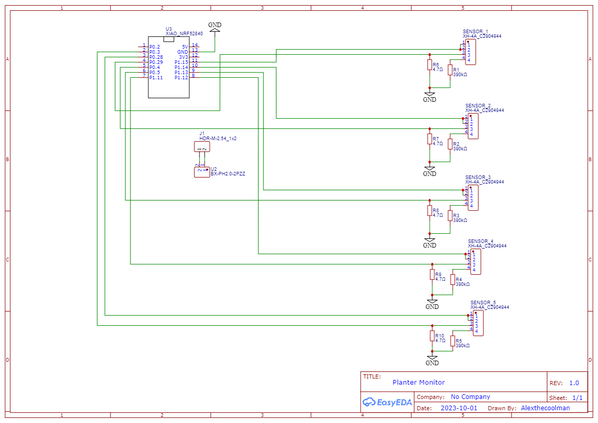
Monitor if there is still water in self-watering planters. Send the data via Bluetooth using BTHome. Using Seeed XIAO nRF52840 and ir sensor.

pic

wiring diagram

PCB

Circuit

Sensor

About

Monitor if there is still water in self-watering planters. Send the data via Bluetooth using BTHome.

Resources

License

Stars

Watchers

Forks

Releases

No releases published

Packages

 
 
 

Contributors

Languages