Skip to content

Wrong schematics #1

@ozlowown

Description

@ozlowown

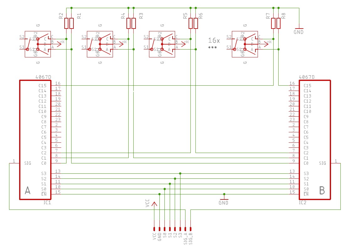
https://raw.githubusercontent.com/luni64/EncPlex/master/extras/Boards/MPX_4067/Schematic_part.jpg

In this pic, "EN" is connected to VCC and GND.
(i'm sorry, i don't know how to use Github :/ )

Metadata

Metadata

Assignees

No one assigned

    Labels

    No labels
    No labels

    Projects

    No projects

    Milestone

    No milestone

    Relationships

    None yet

    Development

    No branches or pull requests

    Issue actions